Khoan treo DIN 580: Cấu tạo, thông số kỹ thuật, vật liệu sản xuất và công dụng
Khoan treo DIN 580 còn được gọi là bulong mắt, móc cẩu ren dương DIN 580, được sản xuất từ vật liệu thép không gỉ inox hoặc thép các-bon. Được dùng trong việc nâng hạ những sản phẩm có trọng lượng lớn một cách thuận tiện.

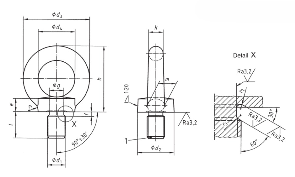
1. Cấu tạo
Cấu tạo của bulong mắt DIN 580 có thể chia ra làm 2 phần:
– Phần mũ: có dạng hình tròn có thể luồn dây hoặc luồn thanh hình trụ qua để nhằm nâng hạ kết cấu.
– Phần thân: được tiện ren hệ mét để liên kết với lỗ đã được ta rô ren có cùng bước ren và đường kính. Phần thân của bulong mắt thường có ghi thông số của con bulong đó như chữ M8, M10, M12…
2. Thông số kỹ thuật
Hiện nay sản phẩm này đang được sản xuất theo tiêu chuẩn DIN 580 của Đức. Để các bạn hiểu rõ hơn, sau đây chúng tôi xin gửi đến quý khách hàng bản vẽ và thông số kỹ thuật của sản phẩm bulong DIN 580.

Bản vẽ kỹ thuật bulong mắt theo tiêu chuẩn DIN 580
BẢNG KÍCH THƯỚC THEO TIÊU CHUẨN DIN 580

3. Vật liệu sản xuất
Hiện nay sản phẩm bulong DIN 580 được sản xuất phổ biến từ mác thép inox 304, đây là một mác thép inox có khả năng chống oxi hóa rất tốt trong quá trình làm việc. Mác thép inox 201, inox 316 và inox 310 rất ít khi được sử dụng để sản xuất loại sản phẩm này vì:
– Inox 201 có khả năng chống han gỉ rất kém nếu như không muốn nói là không thể chống được han gỉ. Chính vì vậy mác thép inox này hầu như không được sử dụng để sản xuất bulong móc cẩu inox DIN 580.
– Inox 310 và inox 316 là hai mác thép có khả năng chống han gỉ rất tốt, tuy nhiên những sản phẩm bulong móc cẩu inox DIN 580 được sản xuất từ hai mác thép inox này có giá thành rất cao, khi đó chi phí cho công trình sẽ bị đội vốn. Vì vậy hai mác thép inox này cũng rất ít được sử dụng để sản xuất bulong móc cẩu inox DIN 580.

4. Công dụng
Bulong DIN 580 được liên kết với một kết cấu thông qua một lỗ đã ta rô ren có sẵn, qua đó để nâng hạ một kết cấu lên xuống theo ý muốn của người sử dụng, tăng tính thẩm mỹ cho liên kết, cũng như là chống ăn mòn nếu kết cấu làm việc trong điều kiện ăn mòn nhiều..
Để phân biệt với loại bulong mắt – móc cẩu ren âm DIN 582, người ta phân biệt bằng phần “ren âm” và “ren dương” của hai loại sản phẩm khác nhau. Tất nhiên, cùng để nâng hạ kết cấu, nhưng hai loại sản phẩm sử dụng trong hai trường hợp khác nhau.

5. Quý khách cần mua Khoan treo chất lượng, giá cạnh tranh?
Công ty Tín Triển là đơn vị chuyên phân phối cung cấp Khoan treo chất lượng cao, giá thành tối ưu. Liên hệ ngay với chúng tôi để được tư vấn và để nhận được giá tốt nhất.
Ngoài ra, nếu có nhu cầu tìm hiểu thêm các sản phẩm khác như bulong, tán, long đền, ty ren, rive… để phục vụ trong sản xuất, có thể tham khảo sản phẩm khác tại đây. Công ty Tín Triển đảm bảo sẽ mang đến cho quý khách hàng những sản phẩm chất lượng, giá cả cạnh tranh và uy tín nhất thị trường hiện nay.