Khoan treo DIN 582: Cấu tạo, tiêu chuẩn sản xuất và thông số kỹ thuật
Khoan treo DIN 582 còn được gọi là bulong mắt DIN 582, móc cẩu ren âm là một chi tiết cơ khí có lỗ đã được tạo ren trên đầu có vòng tròn hình mắt giúp cho việc sử dụng dễ dàng. Luôn được dùng cùng với các sản phẩm bu lông để kẹp chặt hai hoặc nhiều chi tiết với nhau.

1. Cấu tạo
Cấu tạo của bulong mắt DIN 582 khá đơn giản:
Sản phẩm có dạng một vòng tròn, ở trên vòng tròn đó có phần được khoét lỗ và tiện ren âm theo tiêu chuẩn ren hệ mét – tiêu chuẩn hệ ren thông dụng nhất tại Việt Nam hiện nay.
Tất nhiên tất cả các kích thước trên con bulong mắt này được sản xuất theo tiêu chuẩn DIN 582 đúng thông số kỹ thuật. Chính vì vậy việc sử dụng một con bulong mắt DIN 582như thế nào, có kích thước ra sao thì đều có thể xác định được trước, mà không phải cần nghiên cứu nhiều dựa theo bảng thông số kỹ thuật.

2. Tiêu chuẩn sản xuất
Bulong mắt DIN 582 được sản xuất theo các tiêu chuẩn DIN, JIS/ ASMT/ ISO/ KS/ GB/ TCVN/ … đạt cấp bền 4.8/ 5.6/ 6.6/ 6.8/ 8.8/ 10.9/ 12.9/ theo tiêu chuẩn ISO 898-1
Tùy vào từng vị trí mà người thiết kế tính toán lực chính xác để lựa chọn đúng nhất loại bulong mắt cần dùng. Lựa chọn đúng loại giúp cho độ bền sản phẩm hoàn thiện tốt hơn, giá thành tiết kiệm hơn

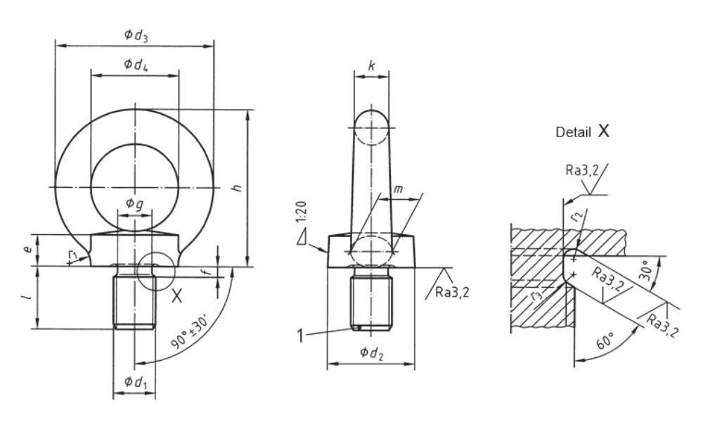
3. Thông số kỹ thuật

Bản vẽ kỹ thuật bulong mắt theo tiêu chuẩn DIN 582
BẢNG KÍCH THƯỚC THEO TIÊU CHUẨN DIN 582

4. Quý khách cần mua Khoan treo chất lượng, giá cạnh tranh?
Công ty Tín Triển là đơn vị chuyên phân phối cung cấp Khoan treo chất lượng cao, giá thành tối ưu. Liên hệ ngay với chúng tôi để được tư vấn và để nhận được giá tốt nhất.
Ngoài ra, nếu có nhu cầu tìm hiểu thêm các sản phẩm khác như bulong, tán, long đền, ty ren, rive… để phục vụ trong sản xuất, có thể tham khảo sản phẩm khác tại đây. Công ty Tín Triển đảm bảo sẽ mang đến cho quý khách hàng những sản phẩm chất lượng, giá cả cạnh tranh và uy tín nhất thị trường hiện nay.